Контакты
Новости
Каталоги
 Войти
Сортировать:
Сначала новые
Сначала старые
Цена ↑
Цена ↓
Кол-во ↑
Кол-во ↓
Имя A→Я
Имя Я→A
Серийник ↑
Серийник ↓
426-12144 - болт
6 727 ₽
426-1432 - болт
534 ₽
426-16112 - 16112 Болт
1 982 ₽
426168A1 - клапан
277 394 ₽
426185A1 -
472 ₽
426186A1 - щётка коммутатора
3 082 ₽
426198A1 - уплотнительное кольцо
8 603 ₽
426199 - Клемма
1 ₽
426199A1 - болт
725 ₽
426200A1 - Прокладка
143 ₽
426202A1 - прокладка
1 228 ₽
84196731 - болт
479 ₽
AGCO0938-20-17-00 -
533 ₽
AGCO3009629X1
533 ₽
AGCO3906982M1
532 ₽
AGCO3909324M1
533 ₽
426207A1 -
2 340 ₽
426208A1 -
200 ₽
426210 - Шпонка
1 624 ₽
426259A1 - шайба
486 ₽
426267A1 -
1 290 ₽
426278A2 - Насос
286 722 ₽
426285A1 - шпилька
1 212 ₽
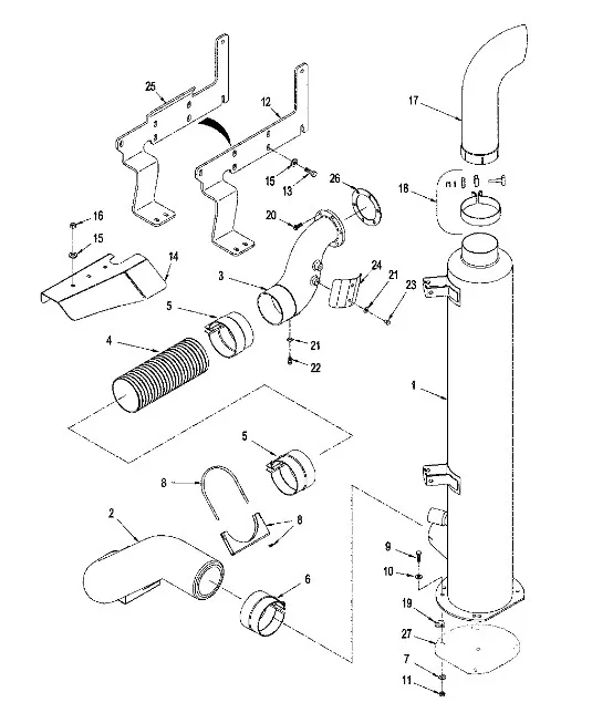
426305A2 - Труба выхлопная ДВС TJ/St.STX
400 629 ₽
«
<
1
...
27
28
29
30
31
...
34117
>
»
Страница:
Перейти